
联轴器是指联接两轴或轴与回转件,在传递运动和动力过程中一同回转,在正常情况下不脱开的一种装置。有时也作为一种装置用来防止被联接机件承受过大的载荷,起到过载保护的作用。
联轴器又称联轴节。用来将不同机构中的主动轴和从动轴牢固地联接起来一同旋转,并传递运动和扭矩的机械部件。有时也用以联接轴与其他零件(如齿轮、带轮等)。常由两半合成,分别用键或紧配合等联接,紧固在两轴端,再通过某种方式将两半联接起来。联轴器可兼有补偿两轴之间由于制造安装不准确、工作时的变形或热膨胀等原因所发生的偏移(包括轴向偏移、径向偏移、角偏移或综合偏移);以及缓和冲击、吸振。
常用的联轴器大多已标准化或规格化,一般情况下只需要正确选择联轴器的类型、确定联轴器的型号及尺寸。需要时可对其易损的薄弱环节进行负荷能力的校核计算;转速高时还需验算其外缘的离心力和弹性元件的变形,进行平衡校验等。
GT型刚性联轴器是联轴器的一种,使用较为广泛,但很多用户对其相关知识并不是很了解,下面就围绕GT型刚性联轴器来简单介绍一下:
一.GT型刚性联轴器的特点:GT型刚性联轴器重量轻,惯性低而且灵敏度好,并且在实际应用中,GT型刚性联轴器维护简单,能抗油以实际报告为主。并且在高速的环境下,它能够补偿由于高速运转而产生的相对位移。当然,如果相对位移能被成功的控制,其在伺服系统中也能发挥很优良的性能。
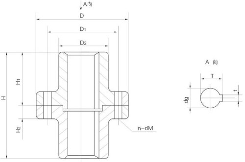
| 标定符号 | 孔径 dg(H7) | Mmax (Nm) | 主要尺寸 | 重量(kg) | ||||||||
| D | D1 | D2 | H | H1 | H2 | n-dM | T | t | ||||
| GT-30 | 30 | 500 | 115 | 90 | 65 | 112 | 54 | 18 | 4-M10 | 33.3 | 8 | 7 |
| GT-35 | 35 | 900 | 115 | 90 | 65 | 112 | 54 | 18 | 4-M10 | 38.3 | 10 | 10 |
| GT-40 | 40 | 1600 | 150 | 120 | 100 | 144 | 70 | 20 | 4-M12 | 43.3 | 12 | 16 |
| GT-45 | 45 | 1600 | 150 | 120 | 100 | 144 | 70 | 20 | 4-M12 | 48.8 | 14 | 16 |
| GT-50 | 50 | 2000 | 170 | 140 | 115 | 165 | 80 | 21 | 4-M12 | 53.8 | 14 | 20 |
| GT-55 | 55 | 2000 | 170 | 140 | 115 | 165 | 80 | 21 | 4-M12 | 59.3 | 16 | 20 |
| GT-65 | 65 | 4000 | 200 | 160 | 125 | 185 | 87 | 24 | 4-M16 | 69.4 | 18 | 35 |
| GT-70 | 70 | 4000 | 200 | 160 | 125 | 185 | 87 | 24 | 4-M16 | 74.9 | 20 | 35 |
| GT-80 | 80 | 7500 | 200 | 160 | 130 | 190/255 | 92/125 | 26 | 4-M16 | 85.4 | 22 | 50 |
| GT-90 | 90 | 9000 | 240 | 200 | 150 | 255 | 125 | 28 | 6-M16 | 95.4 | 25 | 75 |
| GT-95 | 95 | 9000 | 240 | 200 | 150 | 255 | 125 | 28 | 6-M16 | 100.4 | 25 | 75 |
| GT-100 | 100 | 12000 | 240 | 200 | 165 | 264 | 134 | 32 | 6-M16 | 106.4 | 28 | 110 |
| GT-110 | 110 | 18000 | 255 | 220 | 180 | 312 | 155 | 32 | 6-M18 | 116.4 | 28 | 130 |
| GT-120 | 120 | 18000 | 255 | 220 | 180 | 312 | 155 | 32 | 6-M18 | 127.4 | 32 | 155 |
| GT-130 | 130 | 28000 | 340 | 280 | 220 | 399 | 197 | 34 | 6-M18 | 137.4 | 32 | 240 |
| GT-140 | 140 | 28000 | 340 | 280 | 220 | 399 | 197 | 34 | 6-M18 | 148.4 | 36 | 272 |
| GT-150 | 150 | 29000 | 380 | 320 | 250 | 450 | 206 | 45 | 8-M20 | 158.4 | 36 | 302 |
| GT-160 | 160 | 29000 | 390 | 330 | 260 | 450 | 206 | 45 | 8-M20 | 169.4 | 40 | 325 |
| GT-180 | 180 | 31000 | 425 | 360 | 300 | 610 | 320 | 50 | 8-M24 | 190.4 | 45 | 365 |
| GT-200 | 200 | 33750 | 440 | 380 | 310 | 610 | 320 | 55 | 8-M24 | 210.4 | 45 | 392 |